Все товары в наличии
+ зеркало в подарок
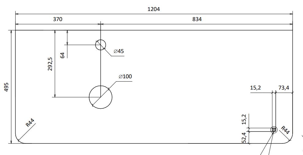
все готово к установке
|
Зеркало Сияние 51 с подсветкой |
32 900 ₽ * 1 шт
|
| Стоимость набора | 87 700 ₽ |
Тумба устойчива к царапинам и перепаду температур. Столешница из стекла Lacobel придает легкость композиции. Бесконтактное включение подсветки. Система плавного закрывания ящиков. Внутренний дополнительный ящик для мелочей. Само название коллекции говорит о том, что одним из основных достоинств данного комплекта является подсветка. Свет столешницы тумбы можно регулировать от деликатного мягкого до более яркого.|
Тумба для ванной комнаты в двух цветах:
- белая с корпусом из МДФ в белой глянцевой пленке ПВХ
- антрацит - Soft Touch поверхность
- Подсветка тумбы с сенсорным включателем
- Бесконтактное включение подсветки
- Система плавного закрывания ящиков
- Внутренний дополнительный ящик для мелочей
- 80000 циклов работы фурнитуры, нагрузка на ящики 25кг
Наши опытные менеджеры всегда смогут проконсультировать вас по любым вопросам о нашей мебели и помочь подобрать подходящий именно вам вариант. Наши тумбы надежно упакованы и приходят к вам в собранном виде. Купить нашу мебель можно с помощью оплаты банковской карты. Вы можете добавить к заказу тумбы раковину, зеркало или шкаф-пенал для комплекта мебели. Доставка действует по всей России. Мы создаем решения, которые будут радовать вас каждый день!
Для покупки товара в нашем интернет-магазине выберите понравившийся товар и добавьте его в корзину. Далее перейдите в Корзину и нажмите на «Оформить заказ» или «Быстрый заказ».
Когда оформляете быстрый заказ, напишите ФИО, телефон и e-mail. Вам перезвонит менеджер и уточнит условия заказа. По результатам разговора вам придет подтверждение оформления товара на почту или через СМС. Теперь останется только ждать доставки и радоваться новой покупке.
Оформление заказа в стандартном режиме выглядит следующим образом. Заполняете полностью форму по последовательным этапам: адрес, способ доставки, оплаты, данные о себе. Советуем в комментарии к заказу написать информацию, которая поможет курьеру вас найти. Нажмите кнопку «Оформить заказ».
Оплачивайте покупки в интернет-магазине RAVAL любым из удобных способов:
- оплата банковской картой на сайте;
- перечислением на расчетный счет компании RAVAL;
- наличными в шоу-руме;
- Предоставляем электронный кассовый чек.
- Поддерживаем все платежные системы: Visa, Mastercard, Maestro, Мир.
- Безопасность и сохранность данных гарантированы всемирным сертификатом безопасности (PCI DSS).
Интернет-магазин RAVAL предлагает несколько вариантов доставки товаров:
- доставка по России транспортными компаниями ПЭК и Деловые Линии;
- самовывоз из магазина и склада фабрики по адресу: г. Нижний Новгород, ул. Заводской парк, 21
Доставка транспортными компаниями
- Осуществляем доставку по России до терминалов транспортных компаний ( стоимость доставки уточняйте у менеджера). Условия и стоимость доставки в Сибирь, на Урал и Дальний Восток уточняйте у менеджера.
- Доставка по России осуществляется при условии 100% предоплаты.
Отправка товаров
Все товары RAVAL надежно упакованы, укомплектованы необходимым крепежом и готовы для транспортировки в любой регион России.
- Отправки осуществляются с использованием жесткой упаковки (обрешетки) для сохранности груза.
- Отгрузка товаров клиентам, а так же отправка в регионы транспортными компаниями осуществляется в течение 3-х рабочих дней, при условии наличия товаров на складе компании.
Самовывоз
Адрес магазина: г. Нижний Новгород, ул. Заводской парк, 21
